Support

Lorem ipsum dolor sit amet:

24h / 365days

We offer support for our customers

Mon - Fri 8:00am - 5:00pm (GMT +1)

Get in touch

Cybersteel Inc.
376-293 City Road, Suite 600
San Francisco, CA 94102

Have any questions?
+44 1234 567 890

Drop us a line
info@yourdomain.com

About us

Lorem ipsum dolor sit amet, consectetuer adipiscing elit.

Aenean commodo ligula eget dolor. Aenean massa. Cum sociis natoque penatibus et magnis dis parturient montes, nascetur ridiculus mus. Donec quam felis, ultricies nec.

+49 (0)7144 / 887753-0

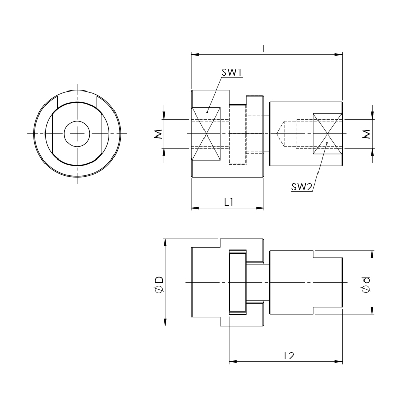
Ausgleichs-Kupplungssatz S-_-KS-2000

Bezeichnung Größe D d L L1 L2 SW1 SW2 M Ident-Nr.
JAK-S-05-KS-2000 05 15 12 26 13,5 19,5 13 10 M5 2000-0005
JAK-S-06-KS-2000 06 20 15 32 16 25 15 12 M6 2000-0006
JAK-S-08-KS-2000 08 14 18 41 20 31 19 14 M8 2000-0008
JAK-S-10-KS-2000 10 30 22 52 25 39 24 17 M10x1,25 2000-0010
JAK-S-12-KS-2000 12 38 28 64 32 48 30 22 M12x1,25 2000-0012
JAK-S-16-KS-2000 16 48 38 80 40 60 36 30 M16x1,5 2000-0016
JAK-S-20-KS-2000 20 60 45 97 50 72 50 36 M20x1,5 2000-0020

CAD-Daten anfordern:


Copyright © Jakoma GmbH
Wir verwenden Cookies, um Ihnen ein optimales Erlebnis anzubieten und unsere Online-Präsenz Ihren Präferenzen anzupassen. Wenn Sie mehr darüber erfahren wollen oder wissen wollen wie Sie diese deaktivieren und/oder wie Sie Ihre Zustimmung verweigern können, lesen Sie bitte die Datenschutzerklärung. Mit Schließung dieses Banners oder der weiteren Nutzung dieser Website stimmen Sie der Nutzung von Cookies zu. Weitere Informationen
Ok!